文库 房地产 建筑建材
234

云南省住建厅:云南省绿色建筑施工图设计审查技术要点(2025版)

72页     2025-10-30     收藏0   喜欢0   评分-   14积分
温馨提示:当前文档最多只能预览 10 页,若文档总页数超出了 10 页,请下载原文档以浏览全部内容。
云南省住建厅:云南省绿色建筑施工图设计审查技术要点(2025版) 第1页
云南省住建厅:云南省绿色建筑施工图设计审查技术要点(2025版) 第2页
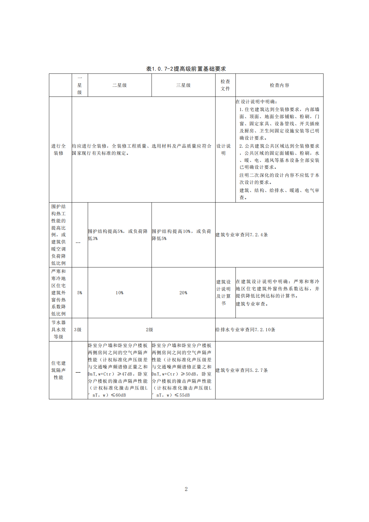
云南省住建厅:云南省绿色建筑施工图设计审查技术要点(2025版) 第3页
云南省住建厅:云南省绿色建筑施工图设计审查技术要点(2025版) 第4页
云南省住建厅:云南省绿色建筑施工图设计审查技术要点(2025版) 第5页
云南省住建厅:云南省绿色建筑施工图设计审查技术要点(2025版) 第6页
云南省住建厅:云南省绿色建筑施工图设计审查技术要点(2025版) 第7页
云南省住建厅:云南省绿色建筑施工图设计审查技术要点(2025版) 第8页
剩余62页未读, 下载浏览全部
文档描述
云南省住建厅:云南省绿色建筑施工图设计审查技术要点(2025版)
下载提示

先导研报所有资源均由用户上传分享,仅供网友学习交流,未经上传用户书面授权,请勿作商用。
1、本文档下载后文档不带水印,支持完整阅读内容或进行编辑。
2、当您下载文档后,并不意味着拥有了版权,文档仅供网友学习交流,不得用于其他商业用途。
3、本站所有内容均由合作方或网友上传,本站不对文档的完整性、权威性及其观点立场正确性做任何保证或承诺!
4、本本所有内容不构成任何投资建议,不具有任何指导和买卖意见。
5、如文档内容存在违规,或者侵犯商业秘密、侵犯著作权等,请立即与我们联系。

这个人很懒,什么都没留下
个人认证
该文档于 上传
推荐文档
最新文档
微信